GLⅡ型散热排管

1、简介
GLⅡ型散热排管为钢管螺旋绕制肋片的热交换设备。
2、结构特点
GLⅡ型散热排管由金属肋片管、侧板、管箱等部件组成,而肋片管是把0.3mm×10mm的钢带用专用设备在φ18mm的无缝钢管上缠绕而成,经热浸锌处理后,其热工性能提高,能防腐蚀。可用于采暖、空调、冷却、除湿、烘干等工程。特性见下表。
3、型号规格及示例说明
(1)型号规格
GLⅡ型散热排管的型号规格由拼音字母和数字组合而成。
GL表示盘管形式。
一组数字表示管排数,二组数字表示表面管子的根数,三组数字表示管长(以英寸表示)。
(2)示例说明
GL-4-15-42即表示一台4排管的GLⅡ型散热排管,表面管根数为15根,表面管长42寸。
结构特性表:
GLⅡ型散热排管为钢管螺旋绕制肋片的热交换设备。
2、结构特点
GLⅡ型散热排管由金属肋片管、侧板、管箱等部件组成,而肋片管是把0.3mm×10mm的钢带用专用设备在φ18mm的无缝钢管上缠绕而成,经热浸锌处理后,其热工性能提高,能防腐蚀。可用于采暖、空调、冷却、除湿、烘干等工程。特性见下表。
3、型号规格及示例说明
(1)型号规格
GLⅡ型散热排管的型号规格由拼音字母和数字组合而成。
GL表示盘管形式。
一组数字表示管排数,二组数字表示表面管子的根数,三组数字表示管长(以英寸表示)。
(2)示例说明
GL-4-15-42即表示一台4排管的GLⅡ型散热排管,表面管根数为15根,表面管长42寸。
结构特性表:
| 肋片特性 | 管子特性 |
每米管长 散热面积 mm2 |
结构计算参数 | 排列方式 | |||||||
| 型式 |
片厚 mm |
片高 mm |
片距 mm |
外径 mm |
内径 mm |
内截面 mm2 |
肋化系数 | 肋通系数 | 净面比 | ||
| 绕片 | 0.3 | 10 | 3.2 | Φ18 | Φ14 | 154 | 0.64 | 14.56 | 15.8 | 0.53 | 叉排 |
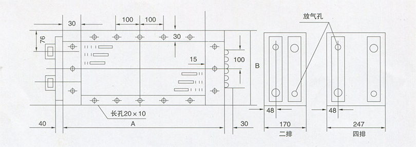
GLⅡ型散热排管外形尺寸图:

GLⅡ型散热排管主要技术参数:
| 表面管数 |
B mm |
基本参数 m2 |
排数 |
表面 管长 |
24 | 30 | 36 | 42 | 48 | 54 | 60 | 66 | 72 | 78 | 84 | 90 | 96 | 102 | 108 | 114 | 120 |
|
A mm |
700 | 850 | 1000 | 1150 | 1300 | 1450 | 1600 | 1750 | 1900 | 2050 | 2200 | 2350 | 2500 | 2650 | 2800 | 2950 | 3100 | ||||
| 6 | 318 | 散热面积 | 2 | 4.7 | 5.84 | 6.98 | 8.12 | ||||||||||||||
| 散热面积 | 4 | 9.4 | 11.68 | 13.96 | 16.25 | ||||||||||||||||
| 受风表面积 | 2.4 | 0.157 | 0.196 | 0.235 | 0.273 | ||||||||||||||||
| 通风净截面积 | 2.4 | 0.083 | 0.108 | 0.126 | 0.145 | ||||||||||||||||
| 8 | 396 | 散热面积 | 2 | 6.26 | 7.78 | 9.32 | 10.84 | 12.42 | 13.94 | 15.48 | |||||||||||
| 散热面积 | 4 | 12.52 | 15.16 | 18.64 | 21.68 | 24.84 | 27.88 | 30.96 | |||||||||||||
| 受风表面积 | 2.4 | 0.205 | 0.255 | 0.306 | 0.356 | 0.406 | 0.457 | 0.507 | |||||||||||||
| 通风净截面积 | 2.4 | 0.108 | 0.135 | 0.162 | 0.189 | 0.215 | 0.242 | 0.268 | |||||||||||||
| 10 | 474 | 散热面积 | 2 | 7.82 | 9.2 | 11.64 | 13.56 | 15.48 | 17.42 | 19.34 | 1.22 | 23.18 | 25.08 | 27 | |||||||
| 散热面积 | 4 | 15.64 | 19.44 | 23.28 | 27.12 | 30.96 | 34.84 | 38.68 | 42.44 | 46.36 | 50.16 | 54 | |||||||||
| 受风表面积 | 2.4 | 0.253 | 0.315 | 0.377 | 0.438 | 1.501 | 0.563 | 0.625 | 0.687 | 0.749 | 0.812 | 0.873 | |||||||||
| 通风净截面积 | 2.4 | 0.134 | 0.197 | 0.2 | 0.233 | 0.266 | 0.298 | 0.332 | 0.366 | 0.398 | 0.43 | 0.463 | |||||||||
| 12 | 552 | 散热面积 | 2 | 9.36 | 11.66 | 13.98 | 16.26 | 18.62 | 20.9 | 23.2 | 25.46 | 27.8 | 30.1 | 32.38 | 34.7 | 37 | 39.34 | 41.7 | 44 | 46.2 | |
| 散热面积 | 4 | 18.62 | 23.32 | 27.96 | 32.52 | 37.24 | 41.8 | 46.4 | 50.92 | 55.6 | 60.2 | 64.76 | 69.4 | 74 | 78.68 | 83.4 | 88 | 92.4 | |||
| 受风表面积 | 2.4 | 0.3 | 0.374 | 0.447 | 0.521 | 0.595 | 0.669 | 0.741 | 0.816 | 0.891 | 0.965 | 1.035 | 1.11 | 1.185 | 1.258 | 1.335 | 1.141 | 1.48 | |||
| 通风净截面积 | 2.4 | 0.15 | 0.198 | 0.237 | 0.276 | 0.316 | 0.354 | 0.393 | 0.433 | 0.473 | 0.512 | 0.549 | 0.588 | 0.628 | 0.666 | 0.707 | 0.748 | 0.784 | |||
| 15 | 669 | 散热面积 | 2 | 11.62 | 14.58 | 17.48 | 20.34 | 23.24 | 26.12 | 29 | 31.82 | 34.78 | 37.62 | 40.5 | 43.4 | 46.2 | 49.2 | 52.1 | 55 | 57.8 | |
| 散热面积 | 4 | 23.24 | 29.16 | 34.96 | 40.68 | 46.48 | 52.24 | 58 | 63.64 | 69.56 | 75.24 | 81 | 86.8 | 92.4 | 98.4 | 104.2 | 110 | 115.6 | |||
| 受风表面积 | 2.4 | 0.372 | 0.463 | 0.554 | 0.654 | 0.737 | 0.828 | 0.92 | 1.01 | 1.101 | 1.192 | 1.285 | 1.375 | 1.468 | 1.56 | 1.65 | 1.74 | 1.835 | |||
| 通风净截面积 | 2.4 | 0.197 | 0.245 | 0.294 | 0.345 | 0.391 | 0.438 | 0.488 | 0.536 | 0.584 | 0.632 | 0.681 | 0.73 | 0.777 | 0.826 | 0.875 | 0.923 | 0.973 | |||
| 18 | 786 | 散热面积 | 2 | 14.06 | 17.5 | 20.94 | 24.4 | 27.88 | 31.38 | 34.8 | 38.22 | 41.7 | 45.1 | 48.6 | 52.08 | 55.5 | 59 | 62.5 | 65.9 | 60.4 | |
| 散热面积 | 4 | 28.12 | 35 | 41.88 | 48.8 | 55.76 | 62.76 | 69.6 | 76.44 | 83.4 | 90.2 | 97.4 | 104.16 | 111 | 118 | 125 | 131.8 | 138.8 | |||
| 受风表面积 | 2.4 | 0.443 | 0.552 | 0.66 | 0.769 | 0.879 | 0.987 | 1.095 | 1.204 | 1.313 | 1.42 | 1.53 | 1.64 | 1.75 | 1.86 | 1.956 | 2.08 | 2.185 | |||
| 通风净截面积 | 2.4 | 0.235 | 0.293 | 70.35 | 0.407 | 0.464 | 0.523 | 0.58 | 0.638 | 0.693 | 0.753 | 0.811 | 0.869 | 0.928 | 0.986 | 1.035 | 1.102 | 1.185 | |||
| 21 | 908 | 散热面积 | 2 | 16.3 | 20.4 | 24.44 | 28.42 | 32.34 | 36.58 | 40.6 | 44.6 | 48.7 | 52.7 | 56.7 | 60.8 | 64.7 | 68.8 | 72.9 | 76.9 | 80.8 | |
| 散热面积 | 4 | 32.6 | 40.8 | 48.88 | 56.84 | 64.68 | 73.16 | 80.12 | 89.2 | 97.4 | 105.4 | 113.4 | 121.6 | 129.4 | 137.6 | 145.8 | 153.8 | 161.6 | |||
| 受风表面积 | 2.4 | 0.515 | 0.641 | 0.767 | 0.893 | 1.02 | 1.145 | 1.272 | 1.399 | 1.528 | 1.651 | 1.78 | 1.905 | 2.03 | 2.16 | 2.28 | 2.41 | 2.54 | |||
| 通风净截面积 | 2.4 | 0.276 | 0.342 | 0.407 | 0.473 | 0.541 | 0.607 | 0.674 | 0.741 | 0.81 | 0.875 | 0.944 | 1.01 | 1.075 | 1.145 | 1.208 | 1.28 | 1.345 | |||
| 24 | 1070 | 散热面积 | 2 | 18.62 | 23.26 | 27.9 | 32.54 | 37.9 | 41.8 | 46.4 | 50.92 | 55.6 | 60.2 | 64.8 | 69.4 | 73.9 | 78.7 | 83.4 | 89.8 | 92.4 | |
| 散热面积 | 4 | 37.24 | 46.52 | 55.8 | 65.08 | 75.9 | 83.6 | 92.8 | 101.84 | 111.2 | 120.4 | 129.6 | 138.8 | 147.8 | 157.4 | 168.8 | 179.6 | 184.8 | |||
| 受风表面积 | 2.4 | 0.587 | 0.73 | 0.873 | 1.016 | 1.161 | 1.307 | 1.451 | 1.591 | 1.739 | 1.881 | 2.025 | 2.17 | 2.315 | 2.455 | 2.605 | 2.745 | 2.89 | |||
| 通风净截面积 | 2.4 | 0.313 | 0.388 | 0.463 | 0.538 | 0.615 | 0.693 | 0.769 | 0.843 | 0.921 | 0.998 | 1.075 | 1.15 | 1.225 | 1.3 | 1.38 | 1.455 | 1.53 | |||

